Как правильно крепить лебедку
#2
Відправлено 26 August 2013 - 20:17
с точки зрения теормеха правильней как в инструкции, тогда при винчевании нет никаких нагрузок на болты. Нагрузка "на срез" только от тряски при езде, при этом значительно меньшая по приложенной силе, но значительно более продолжительная, и знакопеременная к тому же.Поставил на авто лебедку. COME UP 12,5. Крепление лебедки сделал на платформу горизонтально. В инструкции схематически указано, что нужно четыре болта закрепить на вертикальную поверхность, т.е. болты закручиваются под губами. Друзья, подскажите, как правильно?
По факту многие ставят так как Вы, горизонтально. Болты только не ставьте строительные, найдите твердостью 10.8.
Я не помню за 7 лет ни одного срезанного болта при горизонтальной установке лебедки.
- Des, pseudo, SERGO і ще 1< /a> це подобається
#5
Відправлено 29 August 2013 - 11:28
Повідомлення відредагував Вованя: 29 August 2013 - 11:30
#6
Відправлено 29 August 2013 - 14:36
Всем откликнувшимся большое спасибо что поделились своим опытом!
#7
Відправлено 30 August 2013 - 20:03
исходя из этого нужно учитывать сопромат и нагрузить в первую очередь передние болты, далее (ч-з примерно 0.1-0.5 мм) задние и не мешает перед передним креплением приварить упоры (я так сделал) дабы совсем болты разгрузить (или почти совсем)Исходя из того что нет возможности крепить так как гласит инструкция
#12
Відправлено 18 May 2014 - 23:51
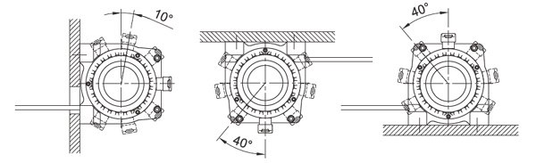
У производителя указаны только три варианта
![]()
Такого как я указал,- нет, но мне так было бы удобней всего. Вот и думаю, болты не вырвет?
Привет Сережа,ставь но дай еще два хомута из полосы 2.5-3 мм по "ребрам" лебедки(к примеру как хомуты держат баки на грузовиках),к четырем болтам добавятся еще четыре самоконтрящиеся гайки хомутов ).
#16
Відправлено 19 May 2014 - 10:16
Повідомлення відредагував Vrubel: 19 May 2014 - 10:17
Кількість користувачів, які читають цю тему: 1
0 користувачів, 1 гостей, 0 прихованих користувачів
















