Повідомлення відредагував андрейрб: 12 October 2012 - 11:35
FJ CRUISER - НЕКОРРЕКТНАЯ РАБОТА ШТАТНОЙ АБС
#81
ПОЗА САЙТОМ
Відправлено 12 October 2012 - 11:32
#82
ПОЗА САЙТОМ
Відправлено 12 October 2012 - 17:03
Провода вставлены под другую комплектацию машины, например под механику - база то одна. Кнопка саба с зеркалами и яркости не подсвечивается что действительно неудобно, думаю это изменить очень просто одним продом.Всем доброго дня! Прочел тему и решил себе вставить кнопу отключения абс и прочих помощников. Купли две кнопки бу от 120 прадо, одну от обогрева зеркал, другую от противотуманок - тоже хочу поставить. Ради интереса достал заглушку кнопки на центральной консоли, нижняя просто пустая заглушка, а в верхнюю заглушку вставлена фишка. Что это может быть? И еще вопрос, при включенных габаритах у меня подсвечиваются только кнопки diff lock, а trak и P а кнопка саба и розетки не подсвечивается, они должны подсвечиваться? Как у кого? И еще, подсвечивается ли кнопки управления зеркалами и регулировка яркости подсветки приборов?
#83
ПОЗА САЙТОМ
Відправлено 13 February 2013 - 09:42
#85
ПОЗА САЙТОМ
Відправлено 14 February 2013 - 09:47
Кнопку под отключалку АБС взял с Прадо, сделал разрыв как написано выше, но есть вопрос к Воину. Во время движения можно ли включать-отключать абс? Раз попробовал, загорелся чек и так и не выключился. Потом я заглушил двигатель и опять завел и только после этого все нормализовалось. Подскажите что я неправильно сделал?
Внимание, есть одна особенность при отключении режима АБС, писал как то раньше, но не все обратили внимание. Вы можете смело отключать и включать обратно АБС во время движения, но до скорости 70 км/час. Если сделать это на скорости свыше 70 км в час, у вас загорится ЧЕК и куча ламп. Чтобы это убрать, надо остановиться, заглушить двиг и завести его снова. Поэтому для удобства пользования кнопкой, отключать/включать АБС надо на любой скорости в диапазоне до 70 км/час во время движения, внешне на тормозах это никак не проявится, просто загорится лампа отключения АБС.Виталик - VOIN еще раз спасибо за ссылку. Сегодня все сделал, заняло 10мин. - гребется теперь как дурная
Отключал-включал и во время движения, "джеки чан" не загорелся.
#86
ПОЗА САЙТОМ
Відправлено 12 December 2013 - 19:12
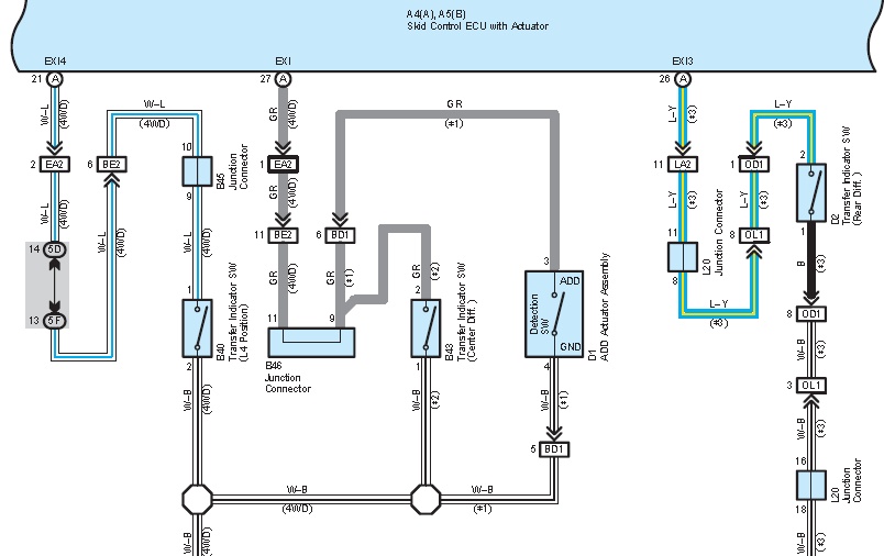
Отключение АБС предложенным способом не совсем корректно, так как выключаются и другие "помощники". Покурив схему и поклацав раздаткой делюсь наблюдением машины АТ 2007 года.
1. АБС штатно выключается при дифф_лок задка.
2. vsc отключается штатно при 4вд.
3. Антизанос выключается штатно при 4 WDL (переключается с атраком)
Вот часть схемы, где эти системы отключаются РАЗДЕЛЬНО.
АБС и VSC уже штатно выключал
Доступ к машине пока ограниченный, так что неспешно ковыряю.
#88
ПОЗА САЙТОМ
Відправлено 15 December 2013 - 23:34
Антизанос вроде отключил (загорелась пиктограмма), но при испытаниях пиктограмма замигала, вклинился заодно VSC, потом вылез чек с ошибкой P2772. Пока без отключения VSC нельзя выключить антизанос. Отключил обе функции, чек сирано вылез. Чек говорит как раз про то, что я замыкаю.
ABS соответственно тушится только суммарно с VSC и антизаносом. Хотя антизанос можно включить, отключив А-трак.
пока вот так...
Повідомлення відредагував RealRabbit: 15 December 2013 - 23:35
#89
ПОЗА САЙТОМ
Відправлено 21 April 2014 - 17:01
#90
ПОЗА САЙТОМ
Відправлено 21 April 2014 - 17:35
Читайте тему, выше Воин где то писал, что во время движения переключать кнопкой надо при скорости не выше 50 км, тогда гирлянда не будет загораться.Коллеги, поставил себе кнопку для отключения электр.ошейников, все было хорошо до сегодняшнего дня, когда ехал по трассе и в дополнение к горящим пиктограммам добавилась пиктограмма VSC TRAC, кнопка перестала реагировать на вкл.-выкл., остановил авто, заглушил, завел и все пропало, кнопка опять работает, возвращался домой по трассе, появилась таже хрень. Приехал в город, заглушил, завел, поехал, пока все ок, vsc trac пока не загорается. Что это может быть? БК ошибки не выдает, все ок.
#91
ПОЗА САЙТОМ
Відправлено 22 April 2014 - 11:18
Не переключайте АБС в движении на скорости свыше 60 км.час. До этого параметра скорости, переключения режима АБС у вас все будет происходить корректно, об этом я писал выше в теме.Коллеги, поставил себе кнопку для отключения электр.ошейников, все было хорошо до сегодняшнего дня, когда ехал по трассе и в дополнение к горящим пиктограммам добавилась пиктограмма VSC TRAC, кнопка перестала реагировать на вкл.-выкл., остановил авто, заглушил, завел и все пропало, кнопка опять работает, возвращался домой по трассе, появилась таже хрень. Приехал в город, заглушил, завел, поехал, пока все ок, vsc trac пока не загорается. Что это может быть? БК ошибки не выдает, все ок.
Повідомлення відредагував VOIN: 22 April 2014 - 11:19
#93
ПОЗА САЙТОМ
Відправлено 22 April 2014 - 21:27
А у меня загорается при превышении 70км/ч, проверено на собственном опыте !Читайте тему, выше Воин где то писал, что во время движения переключать кнопкой надо при скорости не выше 50 км, тогда гирлянда не будет загораться.
Больше чем уверен !А интересно для Прадо тот же вариант отключения? С удовольствием ее бы отрубал.
Повідомлення відредагував Vall: 22 April 2014 - 21:26
#94
ПОЗА САЙТОМ
Відправлено 17 May 2015 - 10:03
А интересно для Прадо тот же вариант отключения? С удовольствием ее бы отрубал.
Для Прадо мы делали точно так как написано выше все отлично работает и очень помогае например зимой, система не душит обороты двигателя, делайте так канаписано, рсцветка провода такая же.
#99
ПОЗА САЙТОМ
Відправлено 06 May 2016 - 17:04
Я в электрике не силен ваще то, но хотелось бы такое сделать, как я понял надо только перехватить пару проводков и включать или отключать их через кнопку. Кнопка мне бы тоже понадобилась, может есть у кого нибудь, напишите пожалуйста в личку?
Да временно пока поставь любую кнопку, я поставил типа такого микро тумблера прямо в заглушке штатной дырки. А как нашел родную кнопку, в тоже окошко ее и вставил.
Единственное правило, включение и отключение электроники во время движения надо делать до 70 км/час, иначе будет загораться чек. Я этой функцией пользуюсь уже 7 лет, впечатления только позитивные.
Кількість користувачів, які читають цю тему: 1
0 користувачів, 1 гостей, 0 прихованих користувачів
















